產品中心
PRODUCT CENTER
PRODUCT CENTER
聯系我們
聯系人:尹經理
聯系電話:13276363313
QQ:1138303036
公司地址:山東省濰坊市高新區光電路155號光電產業加速器(一期)
路面狀況傳感器
發布時間:2024-05-06 16:18:37
型號:TH-LM1
品牌:天合
路面狀況傳感器是一種用于監測和評估道路表面狀態的技術設備,這些傳感器可以采用多種技術,包括遙感技術、激光測量技術、圖像處理技術和機器學習方法等,以實現對路面的實時監控和數據分析。
產品描述
一、路面狀況傳感器產品介紹
TH-LM1系列非接觸式路面狀態檢測器,它采用遙感技術,避免了對道路的破壞,從而不會因為安裝道路氣象站引起的對交通的干擾。多光譜測量技術使得能準確檢測道出道路表面結冰、積雪和積水的存在狀態和厚度,同時還能實時監測影響交通安全的大霧、雨和雪等天氣現象。
二、路面狀況傳感器功能
l檢測路面積水、積雪、結冰狀態
l遠距離遙感檢測路面、橋面狀況
l非埋入式安裝快捷簡便
l車流量和事故多發區域
l雨雪多發區域
l維護成本低
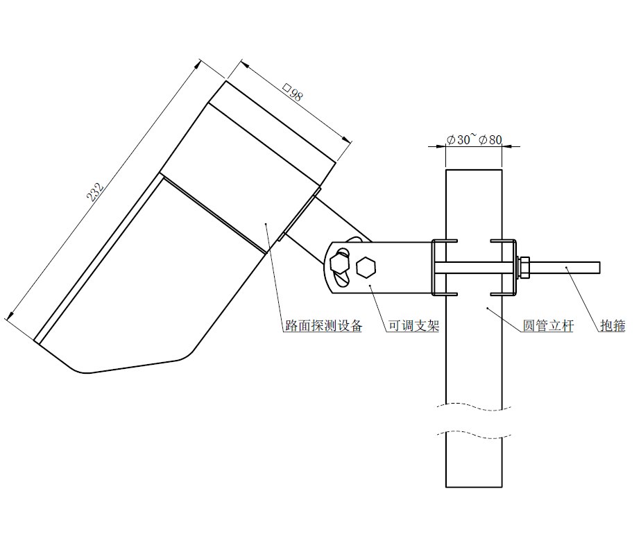
三、路面狀況傳感器產品尺寸圖

四、路面狀況傳感器主要指標
型號 | TH-LM3(停售) | TH-LM1 |
檢測距離及檢測區域直徑 | 2-8米;23cm | |
對水平線的安裝角度 | 30-80度 | |
電源及功耗 | DC12-24V; 0.6W | |
工作溫度和濕度 | 溫度:-40 oC 至 +60 oC ; 濕度:0 至 95% | |
積水厚度 | - | 0-10 mm |
覆冰厚度 | - | 0-2 mm |
積雪厚度 | - | 0-2 mm |
濕滑程度 | - | 0.01(濕滑)-0.82(摩擦強) |
路面狀態報告 | 干燥、 潮、 濕、 雪、 冰、 冰水混合 | |
公路天氣現象(選配) | 路面溫度: -40 oC 至 +60 oC | |
天氣現象: 雨;雪;大霧 | ||
路面材料 | 混凝土、瀝青路面 | |
通訊 | RS485、RS232 | |
文章地址:http://www.thjq.cn/bjdcgq/1142.html
- 上一篇:20千米能見度傳感器
- 下一篇:沒有了!

您當前位置:






